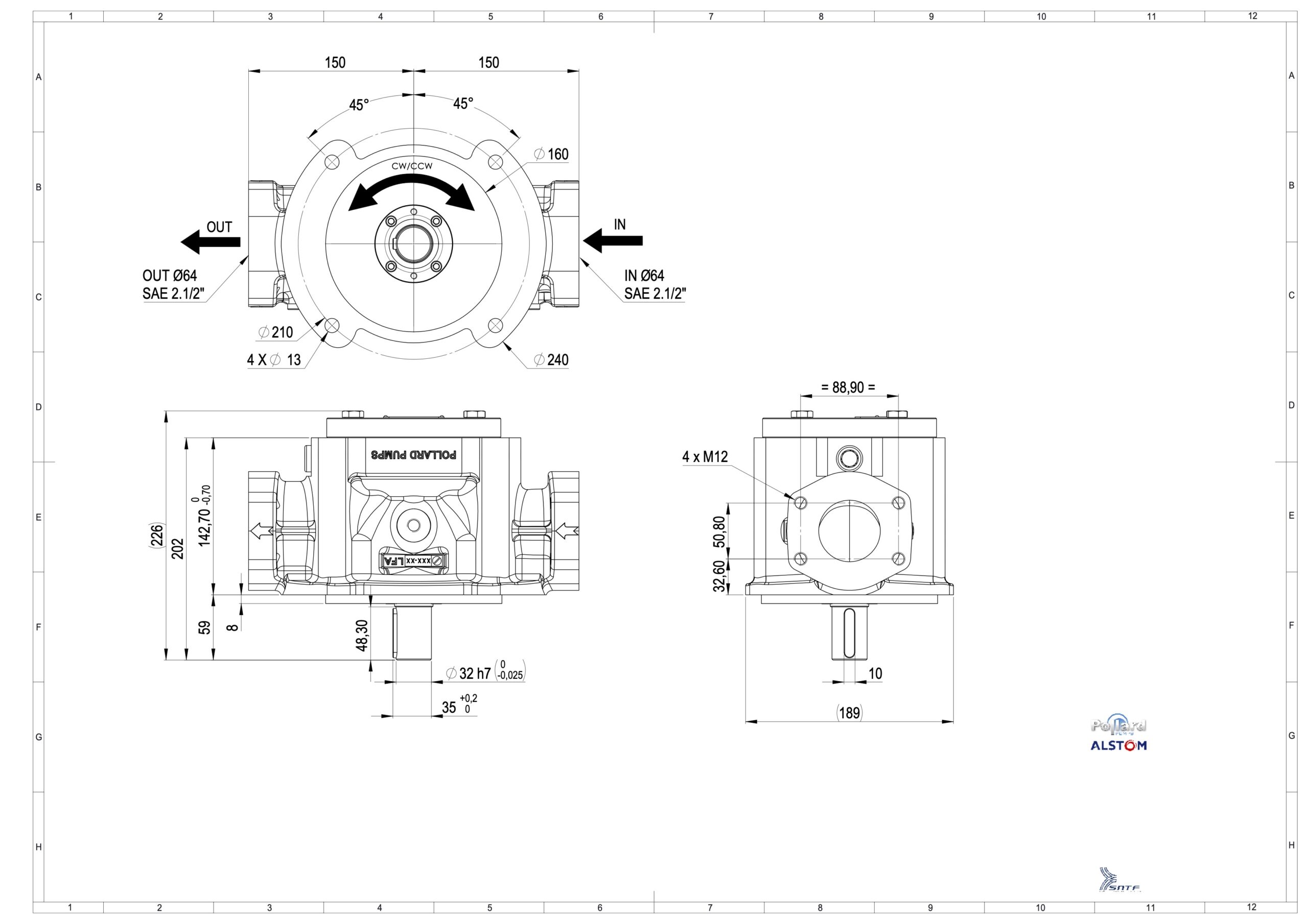
PR180 80 à 160cm3/tr

The PR180 range of pumps, from 80 to 160 cm3/rev, is suitable for lubricating gearboxes and cooling engines of delivery or refuelling trucks.
Pollard ‘CMtec’ technology guarantees good volumetric efficiency, good suction capacity and the ability to pump viscous fluids.
The OEM Series PR180 pumps offer a practical solution for customers looking to replace their existing pumps with Pollard models without having to modify their existing equipment or processes.
These robust industrial pumps are designed to provide continuous service for many year.
| Pumping technology | Vanes | 
| Cylinder Capacity (CC) | 80/100/112/125/160 CC | 
| Speed (rpm) | 1500 to 2500 rpm | 
| Flowrate (lpm) up to 1500tr/min | 120/155/168/192/245 lpm | 
| Suction pressure (bar) | - 0.6 max | 
| Differential pressure (bar) | 16 bars (short time25) | 
| Oil temperature range (°C) | -40 °C → 100 °C | 
| Maximum external temperature (°C) | + 60 °C | 
| Viscosity (cSt) | Up to 100 000 cSt | 
| Body material | Cast Iron | 
| Rotor material | Treated steel | 
| Vanes material | Treated steel | 
| Dimensions in mm/weight | 35.5kg | 



