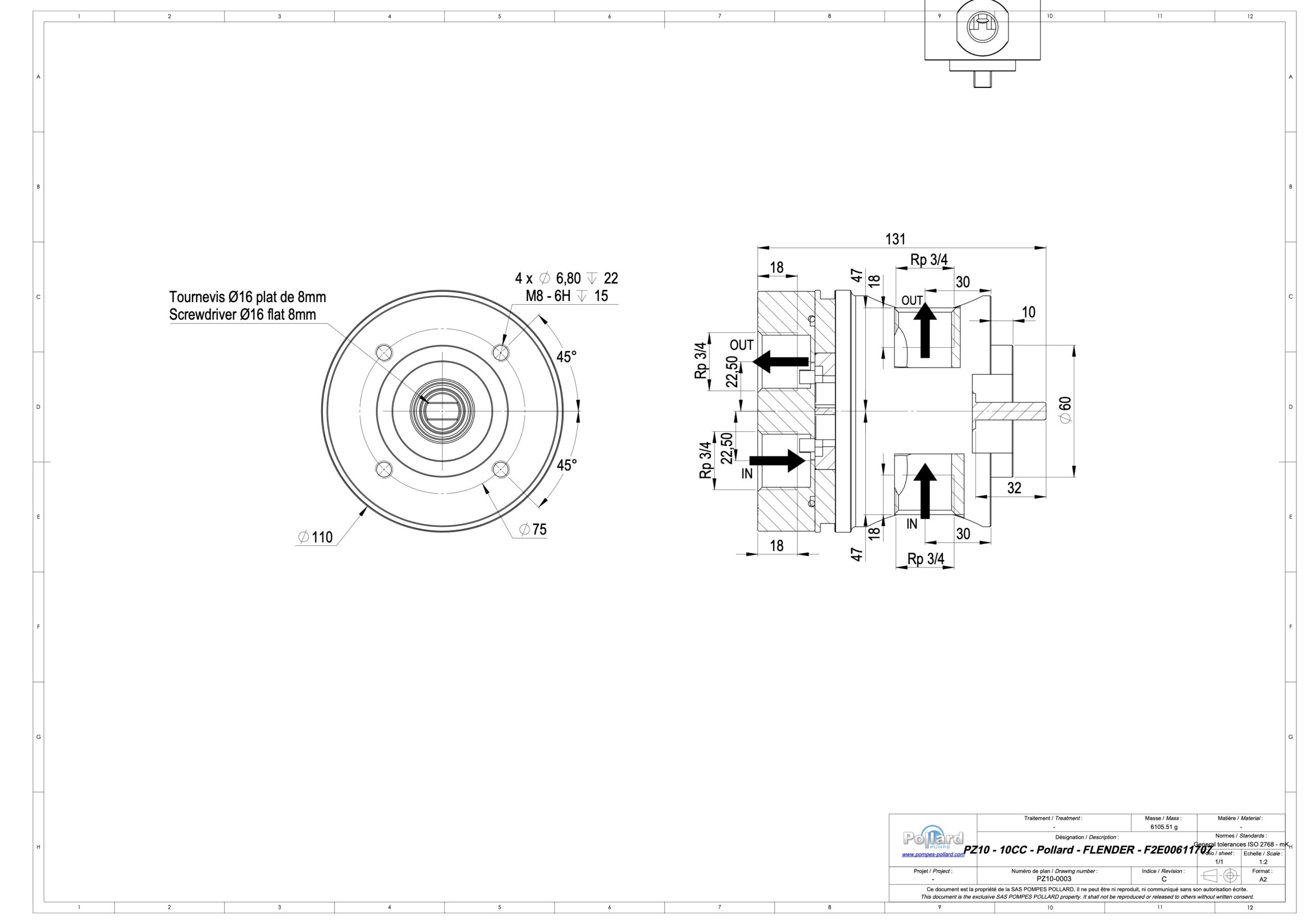
PZ10

The PZ range of pumps, from 4 to 74 cm3/rev, is suitable for lubricating gearboxes and cooling engines.
Pollard ‘CMtec’ technology guarantees good volumetric efficiency, good suction capacity and the ability to pump viscous fluids.
The OEM Series PZ pumps offer a practical solution for customers looking to replace their existing pumps with Pollard models without having to modify their existing equipment or processes.
These robust industrial pumps are designed to provide continuous service for many year.
| Pumping technology | Monobloc Vanes | 
| Cylinder Capacity (CC) | 4 to 74 CC | 
| Speed (rpm) | 2500 rpm (3000 rpm short time) | 
| Flowrate (lpm) up to 1500tr/min | 6,5 to 110 lpm | 
| Suction pressure (bar) | -0,6 mini | 
| Differential pressure (bar) | 8 nominal (10 bars cold start) | 
| Min oil temperature (°C) | - 10 °C | 
| Max oil temperature (°C) | + 110 °C | 
| Minimum external temperature (°C) | - 25 °C | 
| Maximum external temperature (°C) | 50 °C | 
| Viscosity (cSt) | < 50 000 cSt | 
| Body material | Cast Iron | 
| Rotor material | Treated steel | 
| Vanes material | Treated steel | 


